Hard du hard • Anatomie d'une alimentation xTX |
————— 29 Mai 2015
Hard du hard • Anatomie d'une alimentation xTX |
————— 29 Mai 2015
Les topologies de circuit de découpage vont définir la façon de fournir l'énergie électrique au circuit de sortie par l'intermédiaire du transformateur. De nos jours, on en dénombre une douzaine, mais quelques unes sont plus fréquemment exploitées que les autres. Ces topologies ont toutes leurs avantages, leurs inconvénients, leurs limitations, et certaines sont préférées à d'autres en fonction des domaines d'application et du coût de conception. Aujourd'hui il existe aussi des topologies dites résonantes dont les caractéristiques et les performances sont au-dessus des topologies classiques, car le niveau de pertes dont on parlait ultérieurement n'existe quasiment plus. Par contre, elles sont plus complexes à mettre en application.
Cela étant, le sujet sur ces topologies est tellement vaste que l'on pourrait consacrer un article entier à étudier chacune d'elle, mais rassurez-vous, on ne va pas le faire. Sachez surtout que les trois plus couramment employées par les constructeurs de boîtiers ATX sont celles-ci : en demi-pont, à conduction directe et en symétrique. Voyons rapidement à quoi nous avons affaire.

Dans cette topologie, on utilise la plupart du temps 1 ou parfois 2 transistors de puissance (TR1) qui commutent simultanément et un seul gros transformateur (T1) de 400V environ pour assurer le transfert énergétique, et dont le primaire n'est alimenté que dans un seul sens. La bobine (L1) assure le rôle de dé-magnétiseur entre chaque impulsion. Les 2 diodes (D1 et D2) sont là pour forcer la trajectoire du courant quand les transistors sont bloqués. Et en parallèle de la tension d'entrée, on trouve le gros condensateur qui stocke l'énergie résiduelle à réutiliser lors des cycles suivants.
Cette structure simple est très bien adaptée à des puissances inférieures à 300 Watts. Par contre, parmi les inconvénients, on doit noter que l'inductance de fuite du transfo nécessite un écrêteur qui a tendance à dégrader le rendement.

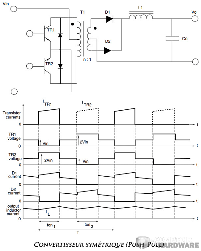
Cette topologie a été conçue pour pallier à un des inconvénients de la précédente, à savoir l'utilisation dans un seul quadrant magnétique du transfo. Et vous l'aurez compris, celle-ci permet l'utilisation dans deux quadrants du circuit magnétique en faisant en sorte que le transfo soit magnétisé alternativement d'abord sous une tension positive, puis sous une tension négative. On peut donc voir cette topologie comme l'entrelacement de deux structures à conduction directe dont le flux dans le transfo devient symétrique. Ici, les 2 transistors (TR1 et TR2) sont agencés symétriquement et parallèlement à 2 diodes placées tête-bêche.
Le point fort de cette structure est la bonne densité massique de puissance qu'elle peut fournir. Par contre, ici le transformateur est sensible aux dissymétries de commande des transistors qui créent une composante continue de flux avec un risque de saturation.

Probablement la plus éprouvée de toutes, dans cette topologie à flux symétrique comme la précédente, on utilise 2 transistors (TR1 et TR2) qui commutent en alternance et connectent par conséquent en alternance les 2 condensateurs (C1 et C2) sur l'enroulement primaire du transformateur. Ils vont servir de réservoirs d'énergies qui se vident et se remplissent en permanence très rapidement puisqu'ils sont sollicités pour fournir l'énergie nécessaire pour un certain nombre de cycles de découpages à suivre. Et comme pour la précédente topologie en conduction directe, les diodes de redressement (D1 et D2) sont là pour guider l'énergie résiduelle dans le bon sens au moment où elle est libérée.
|
|
![]() | Un poil avant ?Les admissions sont ouvertes pour l'école LDLC | Un peu plus tard ...Un moniteur 25" IPS 16:9 QHD chez AOC | ![]() |