Hard du hard • Anatomie d'une alimentation xTX |
————— 29 Mai 2015
Hard du hard • Anatomie d'une alimentation xTX |
————— 29 Mai 2015
Ce que nous disions en introduction est d'autant plus vrai qu'avec la course permanente à la puissance de calcul, les dispositifs informatiques mis sur le marché depuis ces dernières années ont une fâcheuse tendance à consommer toujours plus de courant, ce qui sollicite davantage les alimentations ATX et creuse le fossé entre celles qui tiennent bien la route, et celles qui succombent lamentablement. D'ailleurs, beaucoup de questions sont posées autour de ces alimentations à découpage ATX. Et justement, le but de cet article est de répondre le plus clairement possible aux trois plus courantes :
Une fois que vous aurez parcouru l'article dans son intégralité, les choses devraient donc vous paraître un poil plus claires sur ces blocs d'alimentation.
Tout d'abord, pourquoi parle-t-on de découpage ?
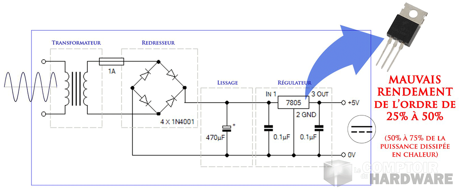
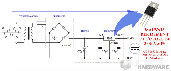
Si on prend le cas d'une de ces petites alimentations linéaires qui fait souvent office de chargeur, elles convertissent le 230V alternatif en une faible tension continue comme du 12V, 5V, etc... mais de par le fait qu'elles utilisent des régulateurs linéaires agissant comme une sorte de résistance variable, cela engendre une dissipation thermique très importante, avec pour conséquence un rendement plutôt passable.
![Visionner en grand sur un magnifique pop-up schema d'un chargeur basique [cliquer pour agrandir]](/images/stories/articles/alims/alims_decoupage/schema_chargeur_t.png)
Schéma électronique d'une alimentation linéaire basique composée d'un transfo, fusible, pont de diode, condensateurs et régulateur de tension.
On a 230V AC en entrée, et 5V DC en sortie.
Imaginez qu'avec un tel système linéaire, pour un PC qui consomme environ 400W, il faudrait une alimentation de quasiment 900W pour lui fournir l'énergie électrique dont il a besoin, et cette différence de 500W serait de la puissance thermique pure à évacuer. Et c'est sans compter la taille imposante des transformateurs nécessaires.
Mais fort heureusement est apparu dans les années 70 le concept de l'alimentation à découpage qui est aujourd'hui trèèèès largement répandu.
Le principe est de convertir la tension d'entrée (soit 230V alternatif) en une tension comprise entre 310V et 350V continu, puis de la hacher à haute fréquence pour en faire un train de minuscules impulsions de quelques microsecondes dont la moyenne lissée et filtrée donnera la tension requise en sortie. La notion de rapport cyclique est le rapport entre le temps de conduction de la tension et le temps d'une période de la forme en créneau (conduction + blocage).

Ce schéma montre que pour une amplitude de tension de 5V max, on voit qu'un rapport cyclique de 50% donne une tension moyenne de 2,5V, là où 0% donne une tension nulle, et 75% donne 3,75V.
Le découpage de cette tension se fera à partir d'un transistor de puissance (bipolaire ou Mosfet selon la fréquence de hachage et la tension désirées). Il va jouer le rôle d'un interrupteur qui s'ouvre et se ferme plusieurs dizaines de milliers de fois par seconde. Il n'aura donc que 2 états, passant ou bloqué. Ce processus se produit à plusieurs dizaines de kHz (généralement la plage de fréquence est entre 30kHz et 100kHz), mais selon les applications on peut même se situer à une hauteur de plusieurs MHz.

Sur ce graphe, on voit que les transistors de puissance Mosfet sont assez répandus pour des tensions jusqu'à 200V, que les bipolaires sont confortables jusqu'à 500V et que pour des tensions au-delà de cette valeur, on préférera les transistors bipolaires à grille isolée (hybride MOSFET en entrée et bipolaire en sortie).
En théorie, pour limiter les pertes, on fait en sorte que courant et tension ne soient jamais présents en même temps aux bornes du transistor. Dans l'état passant, quand le courant le traverse, la tension doit être nulle, et inversement pour l'état bloqué. Mais en réalité, il subsiste quand même quelques pertes négligeables dues à l'ouverture, la conduction et la fermeture, mais qui sont infiniment plus faibles qu'en régime linéaire.

Le fait de découper à des fréquences aussi élevées permet entre autres de réduire la taille des composants, car on manipule de petites quantités d'énergie. Il faut aussi savoir que la taille d'un transformateur est inversement proportionnelle à sa fréquence d'utilisation. En effet, à plus de 40 kHz, il n'y a besoin que d'un petit transfo pour fournir une bonne puissance.
A ce propos, si vous vous êtes déjà demandé pourquoi il y a des énormes transfos dans les amplis audio, c'est justement parce que dans le domaine de l'audio, on cherche le plus souvent à éviter de faire du découpage. En effet, le revers de la médaille de cette méthode est que le fait de hacher une tension continue à une fréquence aussi élevée nécessite de filtrer les parasites et ondulations électromagnétiques que cela engendre à cause des dizaines de milliers de variations de tension et de courant à chaque seconde. Et qui dit bruit parasite ou fort rayonnement électromagnétique dit incompatibilité avec la pureté d'un signal sonore.
Et c'est en grande partie le châssis de l'alim qui est utilisé comme blindage pour contenir ces interférences électromagnétiques et faire en sorte qu'elles ne viennent pas perturber l'environnement électrique voisin.
|
|
![]() | Un poil avant ?Les admissions sont ouvertes pour l'école LDLC | Un peu plus tard ...Un moniteur 25" IPS 16:9 QHD chez AOC | ![]() |
| 1 • Préambule |
| 2 • |
| 3 • Les étapes du découpage |
| 4 • Les topologies de circuits |
| 5 • Observation d'un circuit ATX basique |
| 6 • Rendements et qualité de conception |
| 7 • Réparer un bloc ? |
| 8 • Quelques blocs à oilp |