Hard du Hard • Le RGB de notre matos plus en détail |
————— 13 Mai 2019
Hard du Hard • Le RGB de notre matos plus en détail |
————— 13 Mai 2019
Cette année est l'avènement d'un genre de design tout autant apprécié que critiqué, tout en apportant un degré de personnalisation pouvant s'avérer aussi sympathique que kitsch dans votre bureau. Et oui, 2019 est l'apogée des licornes et boules disco avec la présence et le mûrissement des solutions RGB absolument partout dans nos PC, casques, claviers, moniteurs et autres mulots. Mais au-delà du marketing gaming et des configurations dignes du sapin de Noël de mamie :

À la base, qu'est-ce que le fameux RGB ? Au commencement de toute source de lumière moderne, nous retrouvons les fameuses DEL - Diode Electro-Luminescentes - ou LED en anglais - Light Emitting Diode, abréviation la plus connue. Ce sont des composants en alliage de semi-conducteurs qui fonctionnent comme des diodes classiques en ne laissant passer le courant que dans un sens du signal. Mais à la différence près qu'une partie de ce courant est utilisée pour polariser - exciter le semi-conducteur - cette LED et lui permettre de générer de la lumière en émettant des photons lors du passage d'un côté à l'autre de la diode. Bien entendu, le principe premier n'est plus de chercher à bloquer le courant, mais plutôt d'obtenir une source lumineuse qui sera beaucoup plus efficace que les traditionnelles sources thermiques (ampoules à filament) ou chimiques (tube fluorescent, lampe au sodium...) sur un paquet de points : contrôle à basse tension, taille réduite, meilleur rendement...

Vue interne d'une LED monochrome au format "classique". Nous pouvons observer le rapport de taille ridicule, mais nécessaire entre la partie active et la coque de protection.
Mais l'une des grandes avancées avec ce système est que la couleur d'une jonction - la base d'une diode - est configurable selon l'alliage utilisé. Même mieux, dans une seule LED il est possible de mettre plusieurs jonctions pour réduire l'espace occupé et le nombre de broches du composant. Vous vous en doutez, en combinant les 3 couleurs de base bleu, vert et rouge nous avons la possibilité de réaliser des mélanges de sources qui, comme elles sont proches, donnent l'illusion d'une couleur particulière. Si jamais vous distinguez que parfois les intensités lumineuses sont différentes, que les couleurs ne sont pas exactes... Tous ces petits défauts viennent du manque de tri des composants, la production ne permettant pas d'obtenir des semblables précis en grande quantité et que déjà, la qualité d'un bon équipement RGB va passer par si le fabricant fait un effort sur le tri ou met le prix dans les composants. Parce que oui, ici ça joue énormément !

Comme nous pouvons le voir, chaque LED dispose d'une jonction différente, si nous cherchons à obtenir une réponse en courant similaire le montage doit être réadapté. Et encore, la disparité de chaque LED n'a pas été prise en compte : des variations de l'ordre de 20% et visibles peuvent apparaître...
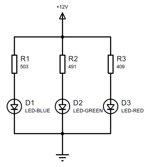
Le système le plus basique pour piloter une LED RGB est de modifier tout simplement la puissance d'émission de chaque module de couleur présent dans le composant. Enfin tout simplement est un grand mot, car la relation entre le courant de polarisation et la luminosité n'est pas une constante et contrôler un composant par le courant n'est pas toujours intuitif. Il faut donc pour chaque LED fournir deux broches par couleur en théorie, ce qui est compliqué. Heureusement les fabricants ont simplifié la tâche en mettant en commun l'anode ou la cathode de toutes les couleurs. Ainsi, nous pouvons utiliser 4 prises comme nous les retrouvons sur nos cartes mères et périphériques : 1 prise +12V pour l'anode et une prise de cathode pour chaque couleur.
Schéma illustrant une situation proche de ce que l'on retrouve dans nos machines : un ensemble de LED qui sont toutes reliées au même terminal, nécessitant un contrôleur par couleur.
Mais comment obtenir une couleur simplement avec notre électronique moderne ? Comment varier l'intensité de chacune de nos couleurs ? Et bien c'est assez basique tout en étant efficace, il suffit d'utiliser un signal périodique comme une PWM pour commuter à une fréquence non gênante à l’œil nu - quelques kHz suffisent - pour faire circuler le courant dans chaque module. Puis, selon le rapport entre cathode non connectée et cathode à la masse, le lissage de l'intensité lumineuse par l'électronique et notre propre œil permet de réceptionner plus ou moins de lumière. Par exemple, si nous mettons un rapport à 80% sur le bleu et 40% sur le rouge, nous allons obtenir une couleur proche du violet ; un rapport de 20% sur les trois les couleurs donnera une lumière "blanche" assez faible, vous avez compris le principe.
Mais cette technique a une grosse limitation : il nous faut un module de pilotage par LED si l'on cherche à réaliser un système distinct. Sans ça, vous pouvez mettre autant de LED - dans les limites du courant toléré par le module - que vous voulez en parallèle, mais elles auront toujours la même couleur : si vous cherchez à faire un concours de synchronisation où vous aimez les arcs-en-ciel dignes du meilleur trip de LSD, il va falloir faire appel à la puissance du numérique et passer par le aRGB.

AMD utilise la techno RGB analogique sur ses refroidisseurs pour Ryzen première génération par exemple et nécessite un broche 4 pins
Pour commencer, une remarque directe et franche avant que vous ne vous fassiez des idées : non le aRGB n'est pas un protocole universel de programmation du RGB. C'est tout simplement une méthode qui permet de piloter numériquement les LEDs tout en permettant de les "adresser" ce qui reste en partie faux, nous allons l'expliquer.
Le principe de fonctionnement est simple : plutôt que de chercher à alimenter les LEDs une à une, il suffit de leur ajouter un driver intelligent à chacune. Pourquoi intelligent ? Car il va alimenter chacune des LEDs en fonction d'un caractère 8 bits qu'il reçoit en entrée. Vous voyez venir l'astuce ? Plutôt que de galérer avec des signaux analogiques, il suffit d'envoyer une série de 3 octets - rouge / vert / bleu - pour déterminer la couleur finale, soit tout simplement la manière d'encoder les couleurs en HTML. Simple et efficace, mais quid de la programmation par LED ?

Avouez que ça devient plus simple avec seulement 3 pins et juste à envoyer des masses de bits plutôt que de chercher à coder chaque couleur correctement. Ici, la combinaison du WS2811 en gestion des données et du driver 5050 permet d'utiliser de manière linéaire les couleurs sans réfléchir à la polarisation.
Là encore, il ne faut pas aller chercher bien loin dans sa cervelle, les ingénieurs n'ayant pas pensé probablement que le nombre de LED dépasserait l'entendement et la raison - n'est-ce pas Kingston ? Pour faire simple, chaque module aRGB pour LED dispose d'un Data-In et d'un Data-Out. Lorsqu'une série de 3 octets arrive, il les mémorise et les applique jusqu'à la prochaine modification d'état. Si plus d'une série est envoyée - par exemple 2 séries ou 3 séries - alors il prend le premier lot puis retransmet les suivants sur le Data-Out. Et cela continue jusqu’à ce qu'il ne reste plus de données valides, soit une série de 3 octets complète. En identifiant chaque module par l'ordre dans lequel il sont câblés, on peut "adresser" les instructions RGB et donc réaliser des effets plus complexes : arc-en-ciel, synchronisation sur l'ensemble des périphériques, effet de vagues... Mais si le nombre de LEDs distinctes augmente, ça va finir par devenir le bordel, non ?
![Visionner en grand sur un magnifique pop-up trame de données argb [cliquer pour agrandir]](/images/stories/_peripheriques/trame_argb_hdh_t.gif)
Détail d'une trame aRGB avec le driver WS2812, montrant qu'à chaque module une partie de la trame est supprimée. La fréquence étant donnée pour 800 kHz sur ce composant vous ne verrez jamais le rafraîchissement à l’œil nu
Le problème dans tout ça, c'est que sur toutes les solutions utilisées, nous pouvons voir que c'est du basique, comme s'il s'agissait plus de nous faire croire que nous pouvons personnaliser notre système, mais à quelques limites près. Et c'est en effet les cas, le aRGB n'étant pas un protocole de communication en tant que tel. Pourtant, nos périphériques ont l'air de faire des belles choses et sans tout ces tracas non ? En effet, ils sont plus évolués et utilisent tout simplement la connexion USB et des drivers embarqués permettant d'obtenir plus de possibilités et une véritable identification de chaque LEDs sans aucun soucis. Alors, est-ce qu'on ne se moquerait pas un peu de nous ?
Les claviers RGB ne demandent pas une prise spécifique, mais utilisent directement leur puce de contrôle pour gérer les effets disco
C'est un peu le cas en effet, pour des raisons de concurrence et surtout de s'autoriser un peu de marge facile. Car comme vous l'avez vu, piloter des LED RGB n'est pas si complexe et au pire vous rajouterez 1€ de production pour rajouter un microcontrôleur qui fonctionne en USB. Sans compter que la connectique est présente sur toutes nos cartes mères ou il est possible aussi d'utiliser le contrôleur des périphériques pour faire le café : casques, souris, claviers... Alors qu'est-ce qui pèche ? Et bien qui dit driver dit logiciel et dans ce cas précis pas de rassemblement de fabricants autour d'un standard. Et là vous pouvez y aller dans les théories plus ou moins farfelues, mais nous allons retenir que cela permet d'essayer de se distinguer des petits copains ou alors de garantir l'achat de matériel compatible assurément éventuellement lié par des accords commerciaux.

Les logiciels de monitoring sont souvent fournis avec la gestion du RGB, mais rarement l'inverse, obligeant l'utilisateur à disposer du même écosystème ou de multiplier les applications ouvertes pour exploiter tout son setup... Applications parfois foireuses, gloutonnes en ressources voire incompatibles entre elles !
Mais en 2019, ce serait sympa et intelligent de réfléchir à un driver standard qu'importe le fabricant, ce n’est tout de même pas compliqué à faire quand on utilise un protocole de communication normé et standardisé depuis deux décennies... Bref, si le RGB est bien présent et s'améliore pour cette année 2019, quelques règles fondamentales sont oubliées et une tendance à nous retirer le pot de vaseline devient de plus en plus irritante, payer 20€ de surtaxe sur un produit qui reçoit parfois juste pour 3€ de modifications esthétiques, ça pique. Mais maintenant, vous en saurez assez pour dire que souvent les licornes sont juste des chevaux avec une guirlande de Noël sur-vendus, mais ça reste joli - selon les goûts. Et promis, nous nous pencherons plus sur les différents protocoles et comment tout cela fonctionne un autre jour.
![]() | Un poil avant ?Ryzen 3000 : nouveau stepping B0 et ComboAM4 PI 0.0.7.2A ! | Un peu plus tard ...Live Twitch • Avant-première Rage 2 | ![]() |